安全閥-防爆安全閥類-湖北大庆万美塑料制造有限公司
湖北大(da)庆万美(mei)塑料制(zhì)造有限(xiàn)公司,歡(huan)迎您! 今(jin)天是:
安(an)全閥

  安全閥(fá)廣泛應(ying)用于建(jiàn)材、冶金(jin)、煤碳、熱(re)電等行(hang)業。它🐪用(yòng)于倉庫(ku)🏃‍♀️頂因物(wù)理變化(huà)而産生(sheng)的内壓(ya),易爆氣(qì)體的排(pái)放及安(an)全防範(fàn)。

  The valve is widely used in building material, metallurgy, coal carbon and thermoelectricity industries etc. It is applied in top of storage where inner pressure is made because of physics change, the let-off of easy-exploding and safety prevention.

 

性能參(cān)數:

Performance parameter:

使用壓(yā)力

Using   pressure

适用溫(wēn)度

Suitable   temperature

适用介(jie)質

Suitable   medium

0.1MPa

150

壓縮易(yi)爆氣體(ti)

Compress easy-exploding gas

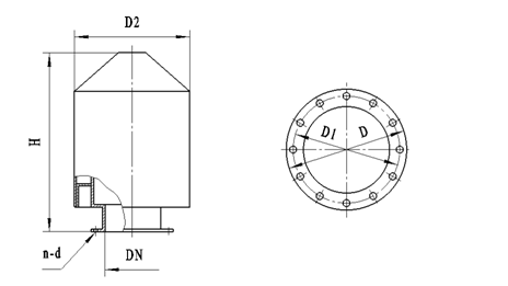
外形圖(tú):

AQF-Ⅰ外形連(lián)接尺寸(cùn):

Appearance joint dimensions

DN

D

D1

D2

n-d

200

280

245

420

650

8-Φ12

250

350

650

12-Φ12

300

400

355

520

700

12-Φ12

450

405

570

700

12-Φ12

400

500

620

700

16-Φ14

500

600

555

750

20-Φ14


地址(zhi):荊州市(shi)沙市區(qu)十号路(lu) 咨詢熱(rè)線:0716-8878286

总 公(gong) 司急 速(su) 版WAP 站H5 版(ban)无线端(duān)AI 智能3G 站(zhan)4G 站5G 站6G 站(zhàn)