防爆閥-防爆安全閥類-湖北大庆万美塑料制造有限公司
湖北大庆(qìng)万美塑料(liao)制造有限(xiàn)公司,歡迎(ying)您! 今天是(shi):
防爆閥

FBF-Ⅰ Ⅱ 防爆(bào)閥

ANTI-EXPLODING VALVE

  防爆閥(fá)普遍适用(yong)于建材、冶(yě)金、化工、電(dian)力等部門(men)。作為❤️壓縮(suo)、易爆氣體(tǐ)管道系統(tǒng)的卸壓裝(zhuang)置。

  The valve is widely used in building material, metallurgy, chemical, electric power industries. It is the discharging pressure device in pipe system of compressed, easy-exploding gas.

 

結構特(tè)點:

Structure characteristic:

  防爆閥(fa)結構簡單(dan),由鋼制焊(han)接筒體和(hé)防爆閥片(pian)組成。當系(xì)統壓力大(da)于0.1MPa表壓力(li)時,防爆閥(fá)片自行破(pò)裂,防止🔆系(xì)統發生爆(bao)炸🔅,以保㊙️證(zheng)生産和人(ren)身安全。

  This valve is made up of steel welded cylinder and anti-exploding valve slice. Its structure is simple. The slice would break itself when the system pressure is above 0.1MPa meter pressure, which can prevent the explosion and protect the production and person’s safety.

 

性(xing)能參數:

Performance parameter:

使用壓(ya)力

Using   pressure

适(shì)用溫度

Suitable   temperature

适用介(jiè)質

Suitable   medium

0.1MPa

80

壓縮易(yi)爆氣體

Compress easy-exploding gas

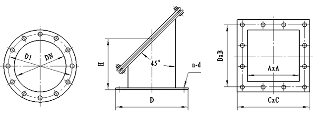
FBF-Ⅰ外(wai)形圖                                              

Appearance figure   

FBF-Ⅰ、Ⅱ外形(xing)連接尺寸(cun):

Appearance joint dimensions:                

D1(B×B)

D(C×C)

H

n-d

重量(liang)(Kg)W

200

245

280

37

250

305

350

250

12-Φ12

44

300

300

12-Φ12

55

350

405

450

350

12-Φ12

65

455

500

400

82

505

550

450

16-Φ14

94

500

555

600

20-Φ14

108

600

655

700

550

142

755

550

180

800

855

900

600

24-Φ14

202


地(dì)址:荊州市(shi)沙市區十(shí)号路 咨詢(xún)熱線:0716-8878286

总 公(gōng) 司急 速 版(bǎn)WAP 站H5 版无线(xian)端AI 智能3G 站(zhàn)4G 站5G 站6G 站
·
··
 
 
 
 
·